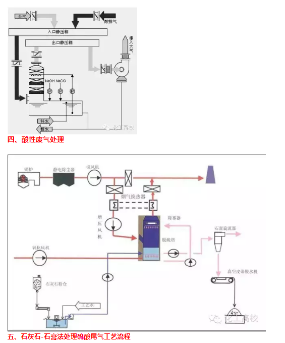
46种废气处理工艺流程图


  处理原理:

  稀释扩散法

  原理:将有臭味的气体通过烟囱排至大气,或用无臭空气稀释,降低恶臭物质浓度以减少臭味。适用范围:适用于处理中、低浓度的有组织排放的恶臭气体。优点:费用低、设备简单。缺点:易受气象条件限制,恶臭物质依然存在。

  水吸收法

  原理:利用臭气中某些物质易溶于水的特性,使臭气成分直接与水接触,从而溶解于水达到脱臭目的。适用范围:水溶性、有组织排放源的恶臭气体。优点:工艺简单,管理方便,设备运转费用低产生二次污染,需对洗涤液进行处理。缺点:净化效率低,应与其他技术联合使用,对硫醇,脂肪酸等处理效果差。

  曝气式活性污泥脱臭法

  原理:将恶臭物质以曝气形式分散到含活性污泥的混合液中,通过悬浮生长的微生物降解恶臭物质适用范围广。适用范围:截至2013年,日本已用于粪便处理场、污水处理厂的臭气处理。优点:活性污泥经过驯化后,对不超过极限负荷量的恶臭成分,去除率可达99.5%以上。缺点:受到曝气强度的限制,该法的应用还有一定局限。

  多介质催化氧化工艺

  原理:反应塔内装填特制的固态填料,填料内部复配多介质催化剂。当恶臭气体在引风机的作用下穿过填料层,与通过特制喷嘴呈发散雾状喷出的液相复配氧化剂在固相填料表面充分接触,并在多介质催化剂的催化作用下,恶臭气体中的污染因子被充分分解。适用范围:适用范围广,尤其适用于处理大气量、中高浓度的废气,对疏水性污染物质有很好的去除率。优点:占地小,投资低,运行成本低;管理方便,即开即用。缺点:耐冲击负荷,不易污染物浓度及温度变化影响,需消耗一定量的药剂。

  低温等离子体

  低温等离子体是继固态、液态、气态之后的物质第四态,当外加电压达到气体的着火电压时,气体分子被击穿,产生包括电子、各种离子、原子和自由基在内的混合体。放电过程中虽然电子温度很高,但重粒子温度很低,整个体系呈现低温状态,所以称为低温等离子体。低温等离子体降解污染物是利用这些高能电子、自由基等活性粒子和废气中的污染物作用,使污染物分子在极短的时间内发生分解,并发生后续的各种反应以达到降解污染物的目的。

  低温等离子体空气净化设备能够显著治理的污染有:VOC、恶臭气体、异味气体、油烟、粉尘,也可用于消毒杀菌。低温等离子体技术是一种全新的净化过程,不需要任何添加剂、不产生废水、废渣,不会导致二次污染。

image

  

image

image

image

image

image

image

image

image

image

image

image

image

image

image

image

image

image

image

image

image

image

image

  资料来源:化工高校

  注:本文素材来自网络(化工高校),版权归原作者所有。